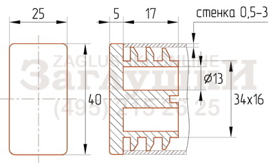
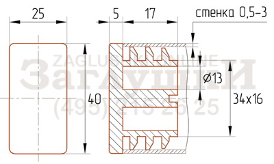
Пластиковая внутренняя заглушка для профильных труб 25х40 мм. Имеет рёберную конструкцию заходящей части и подходит для труб с толщиной стенки 0,5-3 мм. Используется для ограждений, заборов, систем торгового оборудования и мебели на металлическом каркасе. Монтируется с помощью киянки или другого подобного инструмента. Надёжно фиксируется, защищая от попадания внутрь трубы пыли и влаги.

В наличии на складе в Москве
Под заказ 2-3 дня

