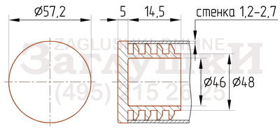
Внутренняя заглушка для металлических и хромированных круглых труб диаметром 57 мм. Имеет рёберную конструкцию заходящей части и подходит для труб со стенкой 0,8-3,5 мм. Отлита из высокопрочного пластика, благодаря чему не выцветает на солнце и не трескается под воздействием сильных морозов. В основном используется для заборов и огражений. Заглушка забивается киянкой в торец столба и отлично держится, защищая от попадания внутрь влаги и пыли.

В наличии на складе в Москве
Под заказ 2-3 дня